[PR]上記の広告は3ヶ月以上新規記事投稿のないブログに表示されています。新しい記事を書く事で広告が消えます。
私がいうのはアレですがまず一言
「相手の政党を引きずり下ろすことしか考えてない議員の方々はどうぞお辞めになってください。」
今話題の衝突事故のニュース見てたらもう我慢できないわ
反対だらけ、時間稼ぎで全然法案が通らない、なにか起こるとこれチャンスとばかりに寄ってたかってやれ責任だなんだと騒ぎ立てる。なんにもできないから支持率はどんどん下がって総理は辞任ばっか
もうアホかとね
野党になった政党はみんな与党攻撃ばっかり。そんなことするより他にすることがあるだろう。なんでもっと前向きな、建設的なことができないんだ。
こんなことやっててなにか国の為にプラスになるのか?他政党を批判するために国民から選ばれたんじゃないだろう
建設的な議論をしてかもしれないけどニュースなどで出てくるのはやれ責任だなんだと批判してる映像ばっかり
ヘ(^o^)ヘ 日
|∧
/
/
(^o^)/ 本
/( )
/ / >
(^o^) 三
(\\ 三 シュッ
< \ 三
\
(/o^) オワタ
( /
/ く
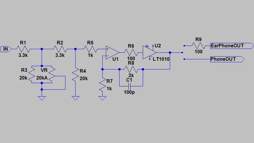
完成しました新ポタアン
部品は知り合いの方についでで買ってきてもらいました。感謝
こいつの特徴は
アンプの回路はLT1010のデータシートに載ってたやつを参考にしました。
R7とR8は定数逆でゲインは1.5です。
中身
電池がかなり面積食ってます…
分圧部分は電池の下にある基板の裏面にチップ部品で作りました。
安くて箱型なAVXのBFっていうフィルムコンを使おうと思っていたんですが切れてたみたいなのでWIMAを買ってきてもらいました。うん、赤いです
電源のデカップリングはニッケミのASG16V1000uF
位相補償の100pFはWIMAのFKP2とニッセイのAPSを買ってきてもらったのですが小さかったのでAPSに。
今回はパネルに付けるジャックじゃなくて面実装タイプのジャックを使ったのでパネルの穴あけが上手くいってよかった…これ穴がずれて大きくなるとすんごいショボくなるんですよね…
なかなかパンチがある音です。左右の分離もいいし
やっぱりOPアンプとかバッファを左右で分離すると音場が広くなるように感じます。
10号も12V動作なんですが全然ちがいますわ…もっと出力の取れるDC-DCのがよかったですね。電池直結のこのアンプには全く敵わない
とりあえず充電器も作ったんですがかなりやっつけで作ったので今充電試しているところですw
ちゃんと充電できているみたい??
HDD増やしました
日立グローバルストレージテクノロジーズの500GB7200rpmの0S02600(3470円)とWestrenDigitalの2TB5400rpm?のWD20EARS(7980円)です。
今は日立のHDDはリテールパッケージしか売ってないのみたいなのですが、HDDみようとツクモ行ったときなんとまだバルグの1TBが店頭の表に掲載されてたんです。
バルグとでリテール版で1000円値段が違ったので買おうかと思ったんですがとりあえずドスパラも見てこよう…とドスパラに行ってからツクモに帰ってきたら…
表のバルグの1TBの部分に完売の張り紙が…
すぐに買っておけば…
ここでリテールの1TBを買うのはなんか悔しいので500GBの0S02600を購入
0S02600は保証付きリテールパッケージの型番で中身のHDDはHDS721050CLA362でした。
確か2006年に買ってずっと使ってる320GBのHDT725032VLA360が7980円だったので同じ値段で2TBが買えちゃうなんてすごいですね。
最近のは安いししかも速度も速い!HDT725032VLA360の2倍ほどの速度が出ますね
500GBのHDDには新たにWindows7を入れ、2TBはファイル用に
ここだとなぜかCPUのクロックがデフォルトですが3.1GHz動作です
BIOS機能でCPU倍率アップのオーバークロックするとCool'n'Quietが使えないのでCrystalCPUIDというソフトでオーバークロックと省電力動作をさせてます。
やってみたかったシステムの評価
意外と良かった~のかな?
これであと3年は戦える!!…はずだけどやっぱりマザーボードが古いからかちょっとブルースクリーンが多いです…
古いHDDのデータをちゃんと分けて新しいHDDに移したらもう一度XPを入れなおしてデュアルブートにしようと思います
