[PR]上記の広告は3ヶ月以上新規記事投稿のないブログに表示されています。新しい記事を書く事で広告が消えます。
ほんと更新少なくていかんですな…
これが先日言ってた新しいアンプです
写真撮り直す前にあげちゃったから綺麗な写真が無い…
単4x3本の電池ボックスで作りました。
もともと付いてたスイッチは取り外し、G-12CPRというレバー部分が赤色に光るトグルスイッチを電源スイッチ兼インジケーターランプに
デカップリングコンデンサはニッケミのPSE6.3V560uFを使い、分圧はSEPPで行っています
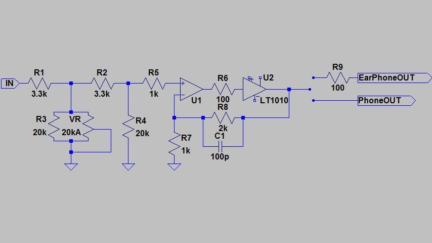
入力は10cm程のケーブル直だしにして、ボリュームはT型アッテネータモドキ
アンプ回路はOPアンプ1発…
DAPを肩掛けカバンに入れて使うとのことだったので、アンプは裏に付けてあるクリップで肩紐に留めて使えるようになるべく小さなケースで作りました
黒のつや消しプラスチックだと見た目がアレなので表側は革張りに
外出時以外でも使いやすいようにアンプ本体から出ている入力ケーブルは短めにして、鞄のなかのDAPとは延長ケーブルを使って接続してもらうようにしました
完成しました新ポタアン
部品は知り合いの方についでで買ってきてもらいました。感謝
こいつの特徴は
アンプの回路はLT1010のデータシートに載ってたやつを参考にしました。
R7とR8は定数逆でゲインは1.5です。
中身
電池がかなり面積食ってます…
分圧部分は電池の下にある基板の裏面にチップ部品で作りました。
安くて箱型なAVXのBFっていうフィルムコンを使おうと思っていたんですが切れてたみたいなのでWIMAを買ってきてもらいました。うん、赤いです
電源のデカップリングはニッケミのASG16V1000uF
位相補償の100pFはWIMAのFKP2とニッセイのAPSを買ってきてもらったのですが小さかったのでAPSに。
今回はパネルに付けるジャックじゃなくて面実装タイプのジャックを使ったのでパネルの穴あけが上手くいってよかった…これ穴がずれて大きくなるとすんごいショボくなるんですよね…
なかなかパンチがある音です。左右の分離もいいし
やっぱりOPアンプとかバッファを左右で分離すると音場が広くなるように感じます。
10号も12V動作なんですが全然ちがいますわ…もっと出力の取れるDC-DCのがよかったですね。電池直結のこのアンプには全く敵わない
とりあえず充電器も作ったんですがかなりやっつけで作ったので今充電試しているところですw
ちゃんと充電できているみたい??
今日は屋内で使う据え置き型のアンプを載せようと思います。
こいつが何号になるのかちょっと覚えてないですが、ボリューム位置によって発振したりバイポーラOPアンプがちゃんと動かなかった2号(確か…)を分解してケースなどを分解して作りました。
仕様は
- 1回路OPアンプとバッファにLT1010を使い左右を分離したA47型
- トランスと三端子レギュレータを使い、AC100V→DC±12V
- CDプレイヤーなどにも接続できるよう3.5mmミニジャックの他にRCA入力も装備
抵抗が1つの品種で揃っていなかったので一部ソケット式にしました。REYでも揃えたらちゃんとはんだ付けしようと思います。
いや…まぁ抵抗の品種による音の違いなんて聞き比べてみようとも思いませんしある一定以上の品質のものなら何でもいいとは思うのですが…
やっぱりせっかく作るのなら精神安定上良い抵抗使いたくなります。
1回路OPアンプならオフセットnullが付いているものがあるので使えるように半固定抵抗もつけています
上の方はスペースが余ったので左右の回路にそれぞれ1000uFのニチコンFWと0.1uFのポリエステルフィルムコンデンサをつけました
電源は、トランスからのAC24Vをショートキバリアダイオードでブリッジ整流したあと2200uFのニッケミKMGで平滑し
三端子レギュレータの7812、79012で±12Vに安定化して正負それぞれ3300uFのニッケミKZEx2個と1000uFのFWで平滑しています。
ケースに納めるとこんな感じ
電源まわりが結構きつきつです。たいして熱は出ないから大丈夫だとは思いますが、トランスが近いのは良くないかも…
誘導ノイズなんかは一切出てないからいいかw
一応電源部の上に放熱用の穴をあけておきました。
穴から光が見えるように赤LEDをつけておきました。
音ですが、とっても満足です。
1回路OPアンプを使って左右を分離したおかげかチャンネルセパレーションが良くて音場が広いし、
FETだけでなくバイポーラOPアンプもちゃんと動くのでいろいろの品種に付け替えて遊べます。
今日からまだ記事にしていないアンプなどを載せていこうと思います。
いつぞやのリベンジ、FRISKアンプです。外出時のイヤホン用に作りました。
仕様は
- SimpleClassAB(LME49721と2SA1048/2SC2458)
- GAIN+1
- 電子ボリューム(MAX5486)
- DC-DC+NiMH、1.2V→3.42V(LTC3400B)
- デカップリングコンデンサはサンヨーSEPC2.5V1000uF
TSSOP24ピン部品があるし、面実装部品を使うことで薄くしたかったので今回はユニバーサル基板ではなく生基板を使用。
エッチング機材は持っていないのでパターンはアクリルカッターで銅箔を切って引きました。0.65mmピッチの24ピンはなかなか大変…
途中から完成を急いでヤッツケ仕事になったのでグチャグチャですwちゃんと動いて良かった
MAX5486という電子ボリュームICを使ってみたのですがとても便利で
- デバウンス付きプッシュボタンインタフェース
- SmartWiper制御でワイパ速度を前進
- 低電力のワイパバッファは0.003%のTHDを提供
- バイアス発生器によって、外付けオペアンプが不要(分圧して仮想GNDを作ってくれる)
- 5セグメントLED音量/バランスインジケータ
- クリックレススイッチング
- 31個の2dBステップの対数テーパ音量制御
- +2.7V~+5.5Vの単一電源電圧動作、または±2.7Vのデュアル電源電圧動作
- -12dBFSのワイパ位置へのパワーオンリセット
- /MUTE機能で90dB (typ)に切替え
- 低シャットダウン消費電流:1µA
- 固定全抵抗値:40kΩ
- 小型24ピンTSSOPパッケージ>
特に上記赤字の機能がワンチップで行えるので小さく作るのにもってこいです。
プッシュボタンインターフェイス用に作られており、別途にマイコンも必要ありません
タクトスイッチを2つつけると場所をとるので日開の中点跳ね返りトグルスイッチG-18APを使用しました。(サトー電気で安くなってた)
今回はLEDインジケータは使いませんでしたが、テストで使ってみたらデータシートにも書いてあるとおりPWM制御で5つのLEDの明るさを音量によって数段階に調整するので認識しやすいです。
作ったのが久々に秋葉原に行く前だったのでジャックやインダクタなどが面実装部品じゃないですが、買ってきたので今度作るときはこの辺も面実装で作ろうと思います。
肝心の音ですが、思っていたよりいいです。DC-DCを使っていますが低域もちゃんと出ていますし。
裏面にダイソーにあった丁度良いペーパークリップをつけていてしっかり留められるので、ショルダーバッグの肩にかけるベルトに胸の辺りで留めて外出しているのですが…
メッチャ見られます!人が持ってないものを持っているって気持ち良いなぁ
この記事はHTMLタグ辞典を見ながら初めて自分でhtmlで書いてみました
